石英石真空振動成型壓機應用
礦產資源
瀏覽量:134次
石英石振動成型壓機項目
調試時間:2025.12.11
調試地點:山東臨沂
調試人員:范辰浩
變頻器:優利康YD3185 T4 N
1.裝袋機設備工作原理
石英石真空振動壓機最核心的三個原理是真空除氣、振動壓實和加熱固化。
真空除氣:在密閉腔體內抽真空至-0.095MPa至-0.1MPa,排除混合料中的空氣,避免成品出現氣孔。
振動壓實:通過高頻振動(通常為28-51Hz)使石英砂、樹脂等材料均勻分布,同時施加10-15MPa的垂直壓力,大幅提升板材密度。
加熱固化:在80-120℃環境下促進樹脂交聯反應,形成穩定結構。
變頻器主要控制振動壓實部分。
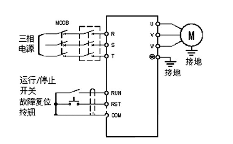
2、電氣接線圖
變頻器和電機之間存在一定距離,因此變頻器和電機都要做好接地的準備。
3、變頻器規格
異步電機為110kw,額定電流212A,由于振動電機啟動慣量大,因此選用YD3185 Y4 N型號。
4、調試步驟
| E1-01(輸入電壓設定) | 400vac |
| E1-04(最高輸出頻率) | 55hz |
| E1-05(最大輸出電壓) | 380vac |
| E1-06(基頻) | 50hz |
| E1-07(中間輸出頻率) | 3hz |
| E1-08(中間輸出電壓) | 24vac |
| E1-09(最低輸出頻率) | 1.5hz |
| E1-10(最低輸出電壓) | 12vac |
5、現場運行情況
變頻器按多段速的方式運行,運行平穩。


